東方馬達-AZM66AK
配合 ABZO 技術,即使在重負載情況下,位置資訊也能被完美保存,無需為了「重尋原點」而浪費珍貴的產能時間。

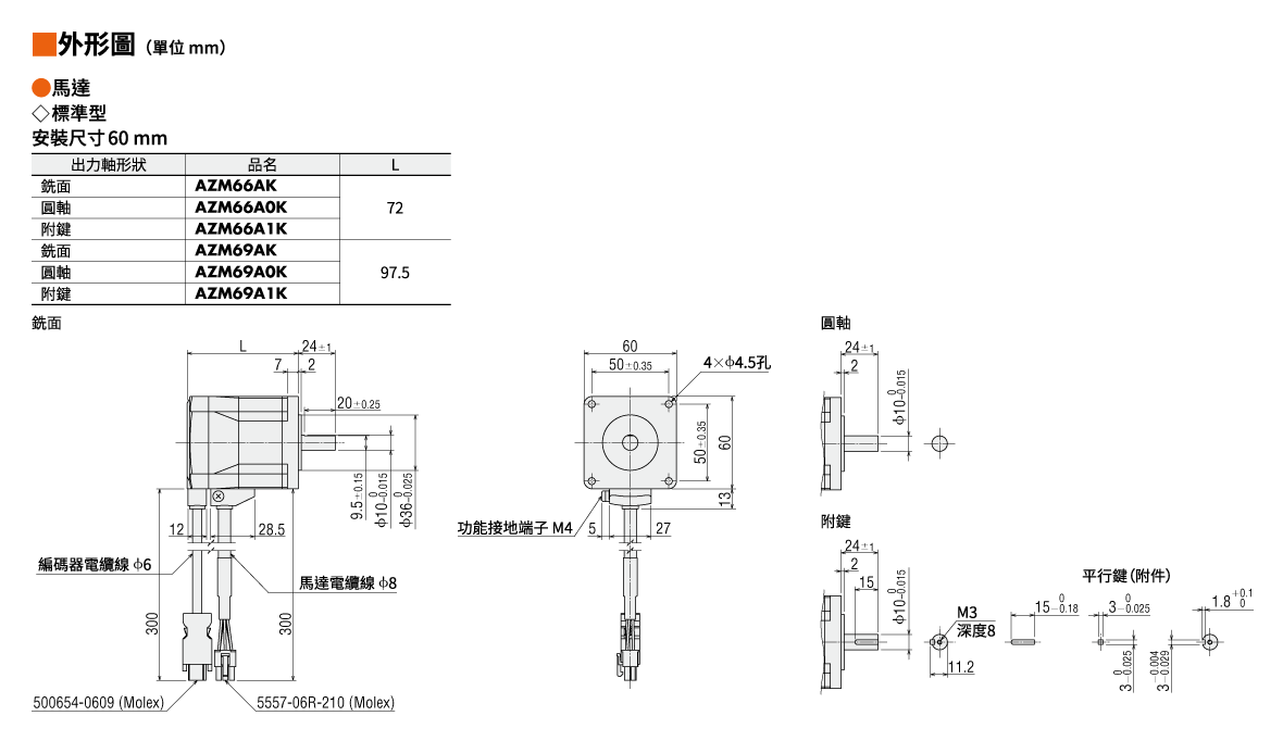
東方馬達 Oriental Motor AZM66AK
免電池絕對值步進馬達|安澤智能自動化
-
-
卓越的扭力控制: 60mm 安裝尺寸提供更大的靜力矩與運轉扭力,滿足中大型設備需求。
-
絕對定位免配線: 機械式絕對值感測器,讓您省去安裝原點、極限感測器的時間與物力成本。
-
閉迴路的高信賴度: αSTEP 技術能隨時監控負載動態,當檢知到偏離軌跡時立即修正,杜絕失步風險。
-
IP 等級防護: 部分型號可達 IP66,在粉塵、油霧較嚴苛的工業現場展現極佳的耐用度。
-
在我們進攻大型面板設備、重載型機械手臂或輸送系統的專案時,AZM66AK 是出場率極高的型號。它的高扭力特性在面對磨擦阻力較大的軌道時依然能精確定位。我們建議搭配 EtherCAT 通訊型驅動器,將馬達狀態即時回傳至中控系統,實現真正的數位聯網工廠。
αSTEP-AZ系列產品規格表
| 安裝尺寸 | 60 mm |
|---|---|
| 型 | 標準 |
| 軸型 | 單軸 |
| 電磁剎車 | 無 |
| 激磁最大靜止轉矩 | 1 N·m |
| 轉子慣性慣量 J | 370×10-7 kg·m2 |
| 減速比 | - |
|
解析度 1000P/R設定時 |
0.36°/脈波 |
| 瞬間最大轉矩 | 特性圖参照 |
| 停止時保持轉矩 通電時 | 0.5 N·m |
| 馬達部 重量 | 0.91 kg |
產品特性

產品外型圖

